Product BI20U-CK40-VP4X2-H1141
Inductive Sensor
With Extended Switching Distance
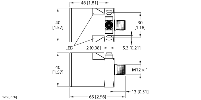
Order number: 1627216- Rectangular, height 40 mm
- Variable orientation of active face in 5 directions
- Plastic, PBT‐GF30‐V0
- High luminance corner LEDs
- Optimum view on supply voltage and switching state from any position
- Factor 1 for all metals
- Protection class IP68
- Resistant to magnetic fields
- Large coverage
- High switching frequency
- DC 4-wire, 10…65 VDC
- Changeover contact, PNP output
- M12 x 1 male connector

General data
| EAN | 4047101080537 |
| eCl@ss-Code (V5.1.4): | 27270101 -/- Inductive proximity switch |
| Customs tariff number | 85365080000 |
| Country of origin | DE |
| Weight | 189 g |
Technical Data
| Mounting conditions | Flush |
| Construction size | 65 x 40 x 40 mm |
| Housing material | Plastic, PBT-GF20-V0, Black |
| Ambient temperature | -30…+85 °C |
| Protection class | IP68 |

