Product PT40R-1004-U1-H1143
Pressure Transmitter
With Voltage Output (3-Wire)
Order number: 6836476- Ceramic measuring cell
- Compact and robust design
- Excellent EMC properties
- Pressure range 0…40 bar rel.
- 12…33 VDC
- Analog output 0…10 V
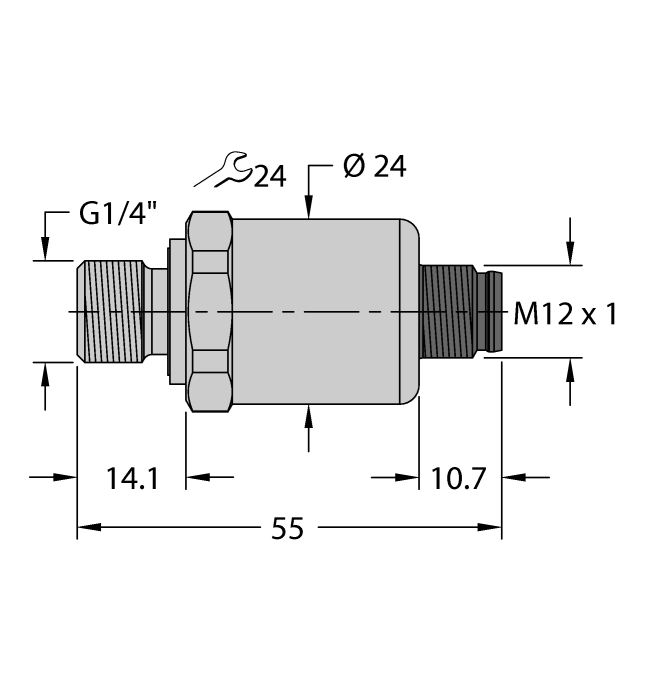
- Process connection G1/4″ male thread (back sealing) according to DIN EN ISO 1179-2 with FPM profile sealing ring
- Connector device, M12 × 1

General data
| EAN | 4047101399264 |
| eCl@ss-Code (V5.1.4): | 27200614 -/- Piezoresistive sensor (absolute and relative pressure) |
| Customs tariff number | 90262020000 |
| Country of origin | CH |
| Weight | 95 g |
Technical Data
| Process connection | G1/4″ male thread (back sealing) according to DIN EN ISO 1179-2 with FPM profile sealing ring |
| Housing material | Stainless-steel/Plastic, 1.4404 (AISI 316L)/polyarylamide 50 % GF UL 94 V-0 |
| Ambient temperature | -30…+85 °C |
| Protection class | IP67 |

