Product DWE-1250-70-190-IOL32B-H1141
Draw-Wire
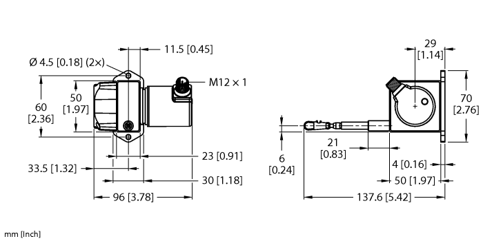
Order number: 100049348- Compact, highly dynamic draw-wire sensor
- With permanently installed IO-Link encoder from the REM-190 product series
- Measuring principle: magnetic
- Sensor protection class IP65
- ‐20…+85 °C
- 18…30 VDC
- M12 × 1 connector, 4-pin

General data
| EAN | 4047101658866 |
| eCl@ss-Code (V5.1.4): | 27270790 -/- Sensor for length, path (not classified) |
| Customs tariff number | 90318020000 |
| Country of origin | DE |
| Weight | 330 g |
Technical Data
| Electrical connection | Connector |
| Protection class | IP65 |

