Product REI-04Q6S-2H2500-H1181
Incremental Encoder
Industrial Line
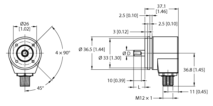
Order number: 100011165- Synchro flange, Ø 36.5 mm
- Solid shaft with flat, Ø 6 mm x 12.5 mm
- Optical measuring principle
- Shaft material: stainless steel
- Protection class shaft IP50
- Protection class housing IP65
- -20…+85 °C
- Max. 12000 rpm
- 8…30 VDC
- Push-pull/HTL invertible
- Pulse frequency max. 200 kHz
- M12 × 1 male connector, 8-pin
- 2500 pulses per revolution

General data
| EAN | 4047101550177 |
| eCl@ss-Code (V5.1.4): | 27270502 -/- Encoder, incremental |
| Customs tariff number | 90314990000 |
| Country of origin | IN |
| Weight | 80 g |
Technical Data
| Encoder line | Industrial-Line |
| Technology | Optical |
| Output type | Incremental |
| Shaft Type | Solid shaft |
| Shaft diameter D (mm) | 6 |
| Flange diameter | Ø 36.5 mm |
| Flange type | Synchro flange |
| Resolution, incremental | 2500 ppr |
| Operating voltage | 8…30 VDC |
| Output function | Push-Pull/HTL, invertable |
| Electrical connection | Connector, M12 × 1 |
| Housing material | Aluminum chromated |
| Ambient temperature | -20…+85 °C |
| Protection class shaft | IP50 |
| Protection class | IP65 |
Mounting accessories
|
BIM-KST-AN6X
rectangular, metal, plastic |
46741 |
|
RKS8T-3/TXL | 6630875 |
|
INU.P.INTERFACE-IM18_CCM50.DE | 100023796 |
|
FS46PT-0.5/M16 | U2-28482 |
|
RKM 5711-1M | U0134-40 |
Connectivity accessories
|
PT4R-2004-U1-H1143 | 100048487 |
|
RSSD-RSSD-4422-18M | 6635887 |

