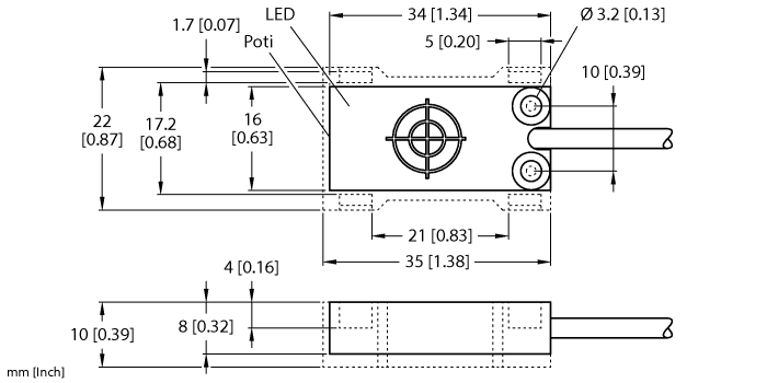
Product BCE8-QP08-AP6X
Capacitive Sensor
With Potentiometer
Order number: 100016730- Rectangular, height 8mm
- Plastic, PP
- Mounting frame, PUR
- Fine adjustment via potentiometer
- DC 3-wire, 12…30 VDC
- NO contact, PNP output
- Cable connection

General data
| EAN | 4047101520637 |
| eCl@ss-Code (V5.1.4): | 27270102 -/- Capacitive proximity switch |
| Customs tariff number | 85365019000 |
| Country of origin | DE |
| Weight | 36 g |
Technical Data
| Construction size | 34 x 16 x 8 mm |
| Operating voltage | 12…30 VDC |
| Output function | NO contact, PNP |
| Electrical connection | Cable |
| Cable length | 2.0 m |
| Housing material | Plastic, PP |
| Ambient temperature | -30…+70 °C |
| Protection class | IP65 |
| Approvals | UL |
Connectivity accessories
|
PT4R-2004-U1-H1143 | 100048487 |
|
RSSD-RSSD-4422-18M | 6635887 |

