Product RME-9
Accessories
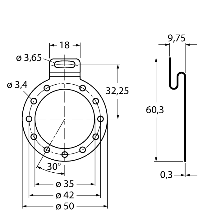
Mounting Panel
For Hollow Shaft Encoders
Order number: 1544620- Mounting panel, flexible
- Short version, reference diameter 64.5 mm
- For low dynamic applications with axial and radial play
- Material: stainless steel

General data
| EAN | 4047101257342 |
| eCl@ss-Code (V5.1.4): | 27279090 -/- Sensor technology (not classified) |
| Customs tariff number | 73269098900 |
| Country of origin | DE |
| Weight | 9 g |
Technical Data
| Housing material | Stainless steel |
Connectivity accessories
|
TI-BL20-E-EN-S-6
BL ident interface set |
7030632 |
|
RSC4.4T-15/TXG | 6634164 |
|
PT300PSIG-2014-U1-DA91/X | 6837037 |
Functional accessories
|
PS001D-502T-2UPN8X-H1141 | 6834112 |
|
FKFD54PL-1/M16 | 100028353 |
|
PSWH4M-10/TFG | 6933497 |
|
INS.P.ULTRASONIC-RU_HIGH_END.ES | D102294 |

