Product  DX80N2Q45UAC

Radio Transmission System

Base Unit for Serial Sensors

Node with Integrated Sensor

Order number: 3805970

Alternative order number : 805970

    • Protection class IP67
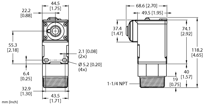
    • Mechanical screw-in thread, 1 ¼" NPT
    • Integrated ultrasonic scanner, frequency 114 kHz, range 3 m and multi-color display lights
    • 2.4 GHZ frequency band
    • Frequency hopping FHSS
    • Time division multiplex access - TDMA
    • Operating voltage: 3.6…5.5 VDC
    • Current consumption: ≤ 100 µA
    • Supply via 2x 3.6 V Li-ion AA batteries, supplied with the device
    • FCC-ID UE300DX80-2400 This device complies with FCC para. 15, sub para. C, 15.247 ETSI/EN: In compliance with EN 300 328: V1.7.1 (2006‐05)IC: 7044A‐DX8024
    • Radiation protection 10 V/m for 80-2700 MHz acc. to EN 61000-6-2
#

General data

EAN 662488045548
eCl@ss-Code (V5.1.4): 27250312 -/- Communication interface, active
Customs tariff number 85176200000
Country of origin US
Weight 375 g

Technical Data

Construction size 68.6 x 44.5 x 113.7 mm
Operating voltage 3.6…5.5 VDC
Communication protocol 1-wire-serial
Housing material Plastic, PBT Lexan, Black
Ambient temperature -40…+70 °C
Protection class IP67

Mounting accessories

3002779
6632939
3038466
6625615
3036903
100001847
10880
6834065
3802820
6935889
6627379

Connectivity accessories

100048487
6635887

Functional accessories

6628957
6543145
D101763
6626753
1003240
100051169
6934217
6630605
6625385
6900479
D101740
3026123
6814017
6630564

Select Country

Turck worldwide

to top