Product  RA-MW-200-12-DK1-10

Accessories

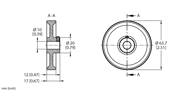
Measuring Wheel

For Solid Shaft Encoders

Order number: 100038302
    • For length measurement
    • Circumference: 0.2 m
    • Material: Aluminum
    • Surface: Aluminum, cross knurled
    • Suitable for cardboard, wood, textiles, rubber and soft plastics
#

General data

EAN 4047101593365
eCl@ss-Code (V5.1.4): 27279090 -/- Sensor technology (not classified)
Customs tariff number 76169990990
Country of origin DE
Weight 61 g

Technical Data

Technology Accessories conventional encoder
Ambient temperature -30…+80 °C

Mounting accessories

8039137
D102309
6632939
7580035

Select Country

Turck worldwide

to top