Product RU600D-M30M-UPN8X2-H1141
Ultrasonic Sensor
Diffuse Mode Sensor
Order number: 100039014- Smooth sonic transducer face
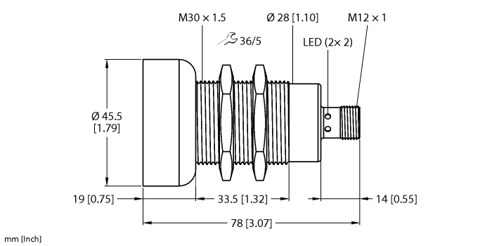
- M30 cylindrical design, potted
- Connection via M12 × 1 male connector
- Measuring range adjustable via teach-in
- Temperature compensation
- Blind zone: 60 cm
- Range: 600 cm
- Resolution: 1 mm
- Adjustable switching hysteresis
- Aperture angle of sonic cone: ± 5 °
- Switching output, push-pull (PNP/NPN)
- NO/NC programmable
- IO-Link

General data
| EAN | 4047101596472 |
| eCl@ss-Code (V5.1.4): | 27272803 -/- Ultrasonic proximity switch |
| Customs tariff number | 85365019000 |
| Country of origin | DE |
| Weight | 193 g |
Technical Data
| Design | Threaded barrel |
| Construction size | M30 x 1.5 |
| Operating voltage | 18…30 VDC |
| Output function | NO/NC, PNP/NPN |
| Communication protocol | IO-Link |
| Electrical connection | Connector, M12 × 1 |
| Housing material | Metal, CuZn, Nickel Plated |
| Ambient temperature | -25…+70 °C |
| Protection class | IP67 |
| Approvals | CE, cULus |
| Special features | Teach input |

