Product  RM-36B12E-9A28B-R3M12

Absolute Rotary Encoder - Multiturn

Industrial Line

Order number: 1544445
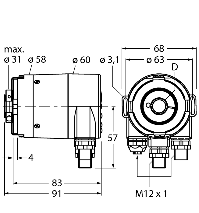
    • Flange with stator coupling, Ø 63 mm
    • Hollow shaft, Ø 12 mm
    • Optical measuring principle
    • Shaft material: stainless steel
    • Protection class IP67 on shaft side
    • -40…+80 °C
    • Max. 3000 rpm
    • Profibus
    • Removable bus cover with male, 3 × M12
    • Singleturn, resolution scalable to 16 bit (default 13-bit)
    • Multiturn resolution max. 12 bit, scalable
#

General data

EAN 4047101256086
eCl@ss-Code (V5.1.4): 27270501 -/- Encoder, absolute
Customs tariff number 90314990000
Country of origin DE
Weight 778 g

Technical Data

Communication protocol PROFIBUS-DP
Electrical connection Bus connection
Housing material Die-cast zinc
Ambient temperature -40…+80 °C

Select Country

Turck worldwide

to top