Product PT600R-2103-I2-AMPS1.5
Pressure Transmitter
With Current Output (2-Wire)
Order number: 100003577- For mobile hydraulic applications
- Fully welded metal measuring cell
- Sealless
- With pressure tip orifice
- Compact and robust design
- Excellent EMC properties
- Excellent accuracy and long-term stability
- Kfz-Norm ISO 16750
- Pressure range 0…600 bar rel.
- 7.5…33 VDC
- Analog output 4…20 mA
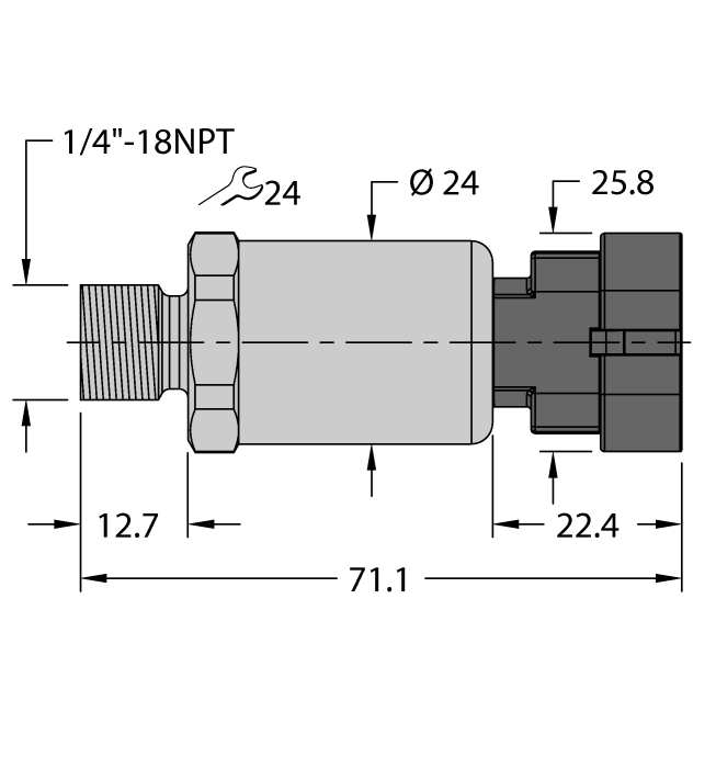
- Process connection 1/4"-18 NPT male thread
- Plug-in device, AMP Superseal 1.5

General data
| EAN | 4047101554199 |
| eCl@ss-Code (V5.1.4): | 27200614 -/- Piezoresistive sensor (absolute and relative pressure) |
| Customs tariff number | 90262020000 |
| Country of origin | CH |
| Weight | 90 g |
Technical Data
| Design | Without display |
| Operating voltage | 7.5…33 VDC |
| Output function | Analog output current |
| Current output | 4…20 mA |
| Electrical connection | Connector, AMP Superseal 1.5 |
| Housing material | Stainless-steel/Plastic, 1.4404 (AISI 316L)/polyarylamide 50 % GF UL 94 V-0 |
| Ambient temperature | -40…+100 °C |
| Protection class | IP67 |
Connectivity accessories
|
EC-FKFDE4.5-0.5/16 | 6934557 |
|
WKC4.4T-P7X3.1-2.5/TXO3700 | 6633029 |
Functional accessories
|
TL502AKQ | 3804943 |

