Product RI-09H8E-2F360-C
Incremental Encoder
Industrial Line
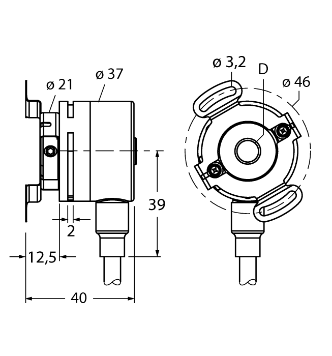
Order number: 1544107- Flange with stator coupling, Ø 36.8 mm
- Hollow shaft, Ø 8 mm
- Optical measuring principle
- Shaft material: stainless steel
- Protection class IP65 on shaft side
- ‐20 …+70 °C (supply voltage > 15 VDC: max. +55 °C)
- Max. 6000 rpm
- 5…30 VDC
- Cable connection, 8-pin
- Push-pull, with inversion
- Pulse frequency max. 250 kHz
- 360 pulses per revolution

General data
| EAN | 4047101253702 |
| eCl@ss-Code (V5.1.4): | 27270502 -/- Encoder, incremental |
| Customs tariff number | 90314990000 |
| Country of origin | DE |
| Weight | 293 g |
Technical Data
| Output function | Push-Pull/HTL |
| Electrical connection | Cable |
| Housing material | Plastic |
| Ambient temperature | -20…+70 °C |
Connectivity accessories
|
SM31EPD W/30 | 3027067 |

