Product IAR.753SMTA
Glass Fiber
Single Conductor
Order number: 3021355Alternative order number : 21355
- Operating mode: Opposed mode sensor
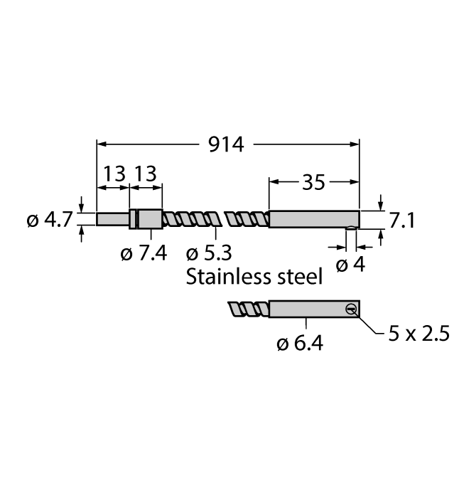
- Stainless steel jacket, flexible
- Operating temperature of fiber-optic jacket: -140…+249 °C
- End sleeve for sensor: Stainless steel, angled (90 °), rectangular beam exit
- Operating temperature of fiber-optic tip: -140…+249 °C
- Optical fiber, bundle diameter: 1.2 mm
- Optical fiber, total length: ± 914 mm

General data
| EAN | 662488213558 |
| eCl@ss-Code (V5.1.4): | 27061090 -/- Ready-made optical fiber (not classified) |
| Customs tariff number | 90011090900 |
| Country of origin | US |
| Weight | 82 g |
Technical Data
| Function | Opposed mode sensor (emitter/receiver) |
| Housing material | Stainless steel |
| Ambient temperature | -140…+249 °C |
Functional accessories
|
RSSD-4422-1M | 6635139 |
|
VBRS4.4-2WKC4.324T-1/1/TXL | 6628097 |
|
T30SN6FF400Q
Photoelectric sensor, series T30, sensing mode: diffuse mode sensor with background suppression, 400 mm sensing range, threaded barrel M30 x 1.5 housing with M12 x 1 connector, 10…30 VDC supply voltage, NPN output |
3033435 |
|
PS510-10A-04-LI2UPN8-H1141 | 100003733 |
|
PT500R-2104-U3-DT043P | 100029564 |

