Product PT600R-2103-I2-H1143
Pressure Transmitter
With Current Output (2-Wire)
Order number: 100003580- For mobile hydraulic applications
- Fully welded metal measuring cell
- Sealless
- With pressure tip orifice
- Compact and robust design
- Excellent EMC properties
- Excellent accuracy and long-term stability
- Kfz-Norm ISO 16750
- Pressure range 0…600 bar rel.
- 7.5…33 VDC
- Analog output 4…20 mA
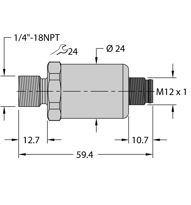
- Process connection 1/4"-18 NPT male thread
- Plug-in device, M12 × 1

General data
| EAN | 4047101554168 |
| eCl@ss-Code (V5.1.4): | 27200614 -/- Piezoresistive sensor (absolute and relative pressure) |
| Customs tariff number | 90262020000 |
| Country of origin | CH |
| Weight | 90 g |
Technical Data
| Output function | Analog output current |
| Electrical connection | Connector, M12 × 1 |
| Housing material | Stainless-steel/Plastic, 1.4404 (AISI 316L)/polyarylamide 50 % GF UL 94 V-0 |
| Ambient temperature | -40…+100 °C |
| Protection class | IP69K |
Mounting accessories
|
INS.P.IO_SYSTEM-EXCOM_PSM24_N_1.32 | 100032386 |
|
FS46PS-2/M16 | U2-29262 |

