Product REM-105S6C-9E43B-B3M12
Absolute Rotary Encoder - Multiturn
Industrial Line
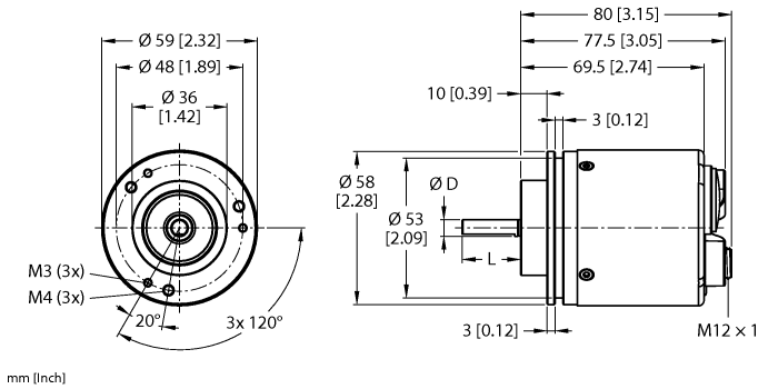
Order number: 100046549- Clamping flange, Ø 58 mm
- Solid shaft, Ø 6 mm × 10 mm
- Optical measuring principle
- Shaft material: stainless steel
- Protection class IP67 on housing side
- -40…+80 °C
- Max. 6000 rpm
- 10…30 VDC
- Profinet IO, RT and IRT up to 250 µs
- Encoder profile version 4.2
- Media Redundancy Protocol (MRP)
- Link Layer Discovery Protocol (LLDP)
- Simple Network Management Protocol (SNMP)
- Fast Startup (FSU)
- M12 × 3 connector, 4-pin
- Singleturn resolution scalable up to 19 bit, default 13 bit
- Multiturn resolution up to 24 bit, default 12 bit
- Total resolution scalable up to 43 bit, default 25 bit

General data
| EAN | 4047101629347 |
| eCl@ss-Code (V5.1.4): | 27270501 -/- Encoder, absolute |
| Customs tariff number | 90314990000 |
| Country of origin | DE |
| Weight | 411 g |
Technical Data
| Communication protocol | PROFINET |
| Electrical connection | Connector, 3 x M12 |
| Housing material | Aluminium |
| Ambient temperature | -40…+80 °C |
| Protection class | IP67 |

