Product FS 4.4-2
Industrial Mounting Receptacle with Stranded Wires
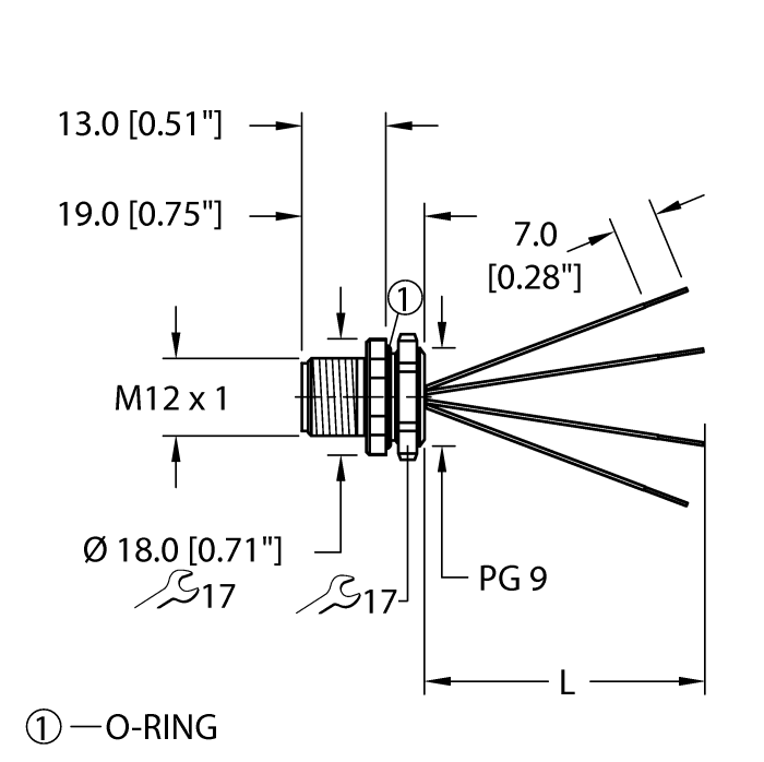
Front-Mounted
Order number: U0886-0- M12 male receptacle, 4-pin
- Housing: brass/nickel
- Protection class IP68
- Stranded wire length: 2 m
- M12 male receptacle, 4-pin
- Mounting thread: PG 9

General data
| EAN | 4047101384420 |
| eCl@ss-Code (V5.1.4): | 27250314 -/- Connection technology |
| Customs tariff number | 85366990990 |
| Country of origin | MX |
| Weight | 63.503 g |
Technical Data
| Cable length | 2.0 m |
Mounting accessories
|
FSFD54PL-0.5/M16 | 100028355 |
|
RKS4T-2/TXL
Connection cable, M12 female connector, straight, 3-pin, shielding on coupling nut; cable length: 2 m, jacket material: PUR, black; cULus approval |
6626293 |
|
BI1.5-EG08-AP6X
Cylindrical, threaded barrel, 8 mm, stainless steel |
4602240 |
|
AIH401-N | 6884269 |
|
QS18EN6DVQ5 | 3075221 |

