Product  RS-25S6C-9A16B-R3M12

Absolute Rotary Encoder - Singleturn

Industrial Line

Order number: 1544363
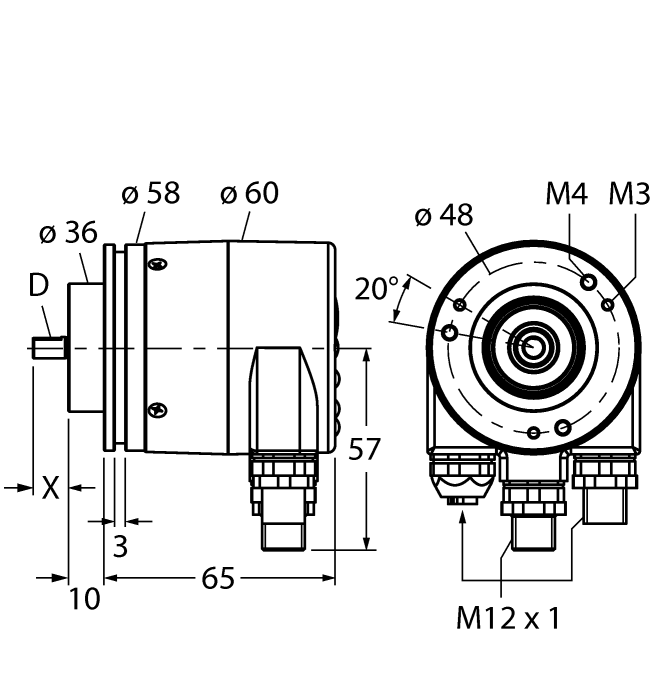
    • Clamping flange, Ø 58 mm
    • Solid shaft, Ø 6 mm × 10 mm
    • Optical measuring principle
    • Shaft material: stainless steel
    • Protection class IP67 on shaft side
    • -40…+80 °C
    • Max. 3000 rpm
    • Profibus
    • Removable bus cover with male connector, 3 × M12
    • 360° resolved in 16 bit (65536 positions)
    • Scalable, default value 13 bit
#

General data

EAN 4047101255652
eCl@ss-Code (V5.1.4): 27270501 -/- Encoder, absolute
Customs tariff number 90314990000
Country of origin DE
Weight 400 g

Technical Data

Operating voltage 10…30 VDC
Communication protocol PROFIBUS-DP
Electrical connection Bus connection
Housing material Die-cast zinc
Ambient temperature -40…+80 °C
Special features Standard

Select Country

Turck worldwide

to top