Product SSA-EB1MP-02ED1Q4
Emergency Shutdown
E-stop Button
Unlit
Order number: 3025072Alternative order number : 25072
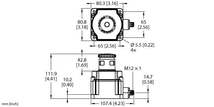
- Rectangular, with locking
- Protection class IP65
- 2 safety outputs (NC, potential-free)
- M12 × 1 male connector, 4-pin

General data
| EAN | 662488250720 |
| eCl@ss-Code (V5.1.4): | 27371201 -/- Indicator |
| Customs tariff number | 85365080000 |
| Country of origin | US |
| Weight | 42.18 g |
Technical Data
| Design | Rectangular |
| Output function | 2 x NC contact, Potential-free |
| Electrical connection | Connector, M12 × 1 |
| Housing material | Plastic, PC |
| Ambient temperature | -25…+55 °C |
| Protection class | IP65 |
| Special features | Lockable |
Connectivity accessories
|
PT16R-1001-U1-H1143 | 6836330 |

