Product PIT23UM4-VL
Plastic Fiber
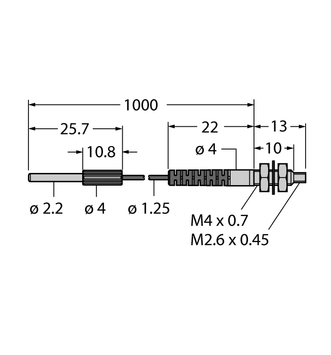
Single Conductor — Jacketed Optical Cable Made of Plastic Fiber
Order number: 3087723Alternative order number : 87723
- Operation: opposed mode
- 2 pcs. included in delivery
- Polyethylene sheath, flexible
- Operating temperature: -30…+70 °C
- Cable, straight, customizable
- End sleeve for sensor: Thread
- Strain relief
- Optical fiber, core diameter 0.5 mm
- Optical fiber, total length: ± 914 mm

General data
| EAN | 662488877231 |
| eCl@ss-Code (V5.1.4): | 27061090 -/- Ready-made optical fiber (not classified) |
| Customs tariff number | 85447000900 |
| Country of origin | TW |
| Weight | 13 g |
Mounting accessories
|
PS01VR-501-2UP8X-H1141 | 6831832 |
|
INS.P.FLOW-FCS_N1_2A4_NAEX.01 | D102316 |
|
WKC4T-2/TRL | 6543003 |
|
SCOL-0404D-1004
4 DI 3 ms / 4 DO 0.5 A |
6824456 |
|
PKG3M-5/TEL | 6625059 |
|
T30SP6REQ | 3037071 |
|
K50RPFF100GXDQP | 3076008 |
Connectivity accessories
|
TCG20-CC
Replacement connector for CAN interface. |
100002936 |

