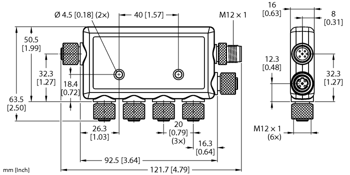
Product DXMR90-4K
Network Controller
4 IO-Link Master Ports
Modbus RTU and Ethernet Interface
Order number: 3813874- Protection class IP67
- Flat, compact housing
- Configurable LEDs
- Logic functions, supports ScriptBasic
- Supports MQTT, TLS, SSL, HTTPS
- Email and cloud function, timing and data logger
- Can be configured via DXM Configuration Software
- Operating voltage: 18…30 VDC
- Inline RS485 connection, supports Modbus RTU
- Four independent IO-Link master ports via 4-pin M12 × 1 female connectors
- Ethernet interface: M12 × 1 female connector, 4-pin, D-coded
- Supports EtherNet/IP, Modbus TCP and PROFINET

General data
| EAN | 662488327859 |
| eCl@ss-Code (V5.1.4): | 27250312 -/- Communication interface, active |
| Customs tariff number | 85176990000 |
| Country of origin | US |
| Weight | 334.07 g |
Technical Data
| Approvals | CE, UKCA |
Data Sheets
| German | 1943 KB |
| English | 1943 KB |
| French | 1944 KB |
| Spanish | 1944 KB |
| Czech | 1944 KB |
| Dutch | 1943 KB |
| Romanian | 1944 KB |
| Russian | 1929 KB |
| Polish | 1944 KB |
| Chinese | 2010 KB |
| Turkish | 1944 KB |
Manual
| DXMR90-4K IO-Link Master Instruction Manual | 6383 KB |
| IO-Link Configuration Software Instruction Manual | 5596 KB |
| DXMR90-4K IO-Link Master with Ethernet | 217 KB |
Product Flyer
Product Overview
Quick Start Guide
Mounting accessories
|
PS01VR-501-2UP8X-H1141 | 6831832 |
|
INS.P.FLOW-FCS_N1_2A4_NAEX.01 | D102316 |
Connectivity accessories
|
TCG20-CC
Replacement connector for CAN interface. |
100002936 |

