Product BI7-Q08-VN6X2
Inductive Sensor
With Increased Switching Distance
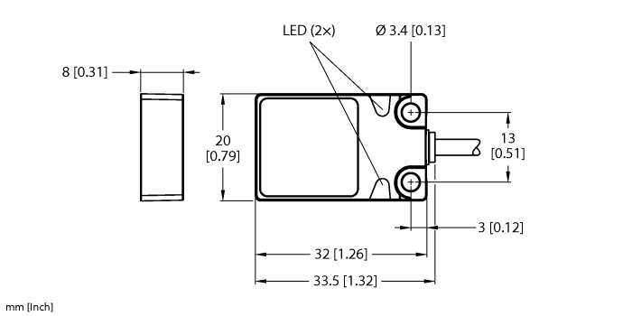
Order number: 1600920- Rectangular, height 8 mm
- Active face on top
- Metal, Zamak, nickel-plated
- Large sensing range
- DC 4-wire, 10…30 VDC
- Complementary, NPN output
- Cable connection

General data
| EAN | 4047101146462 |
| eCl@ss-Code (V5.1.4): | 27270101 -/- Inductive proximity switch |
| Customs tariff number | 85365019000 |
| Country of origin | PL |
| Weight | 38 g |
Technical Data
| Cable length | 2.0 m |
| Cable jacket | Gray |
Mounting accessories
|
PS01VR-501-2UP8X-H1141 | 6831832 |
|
INS.P.FLOW-FCS_N1_2A4_NAEX.01 | D102316 |
Connectivity accessories
|
TCG20-CC
Replacement connector for CAN interface. |
100002936 |

