Product RA-SAB-5-24
Accessories
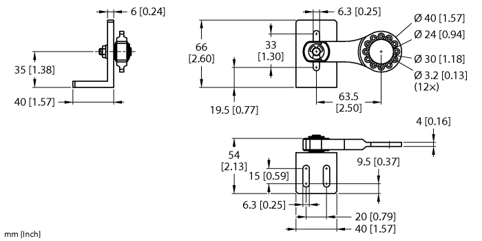
Spring Arm for Encoders
For Solid Shaft Encoders
Order number: 100038293- For encoders with a measuring wheel
- For small solid-shaft absolute encoders with a 36-mm flange
- Recommended contact pressure 5 N — corresponds to 6.5 mm of spring travel
- Maximum contact pressure 20 N
- Material: Aluminum

General data
| EAN | 4047101593273 |
| eCl@ss-Code (V5.1.4): | 27279090 -/- Sensor technology (not classified) |
| Customs tariff number | 76169990990 |
| Country of origin | DE |
| Weight | 192 g |
Mounting accessories
|
PS01VR-501-2UP8X-H1141 | 6831832 |
|
INS.P.FLOW-FCS_N1_2A4_NAEX.01 | D102316 |
Connectivity accessories
|
TCG20-CC
Replacement connector for CAN interface. |
100002936 |

