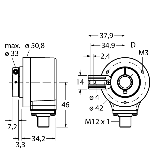
Product REI-E-114I10T-2B2500-H1181
Incremental Encoder
Efficiency Line
Order number: 100011677- Flange with torque stop
- Hollow shaft, Ø 10 mm
- Optical measuring principle
- Shaft material: stainless steel
- Protection class IP64 on housing and shaft side
- ‐20…+70 °C
- Max. 4500 rpm (continuous operation 3000 rpm)
- 10…30 VDC
- Push-pull/HTL invertible
- Pulse frequency max. 300 kHz
- M12 × 1 male connector, 8-pin
- 2500 pulses per revolution

General data
| eCl@ss-Code (V5.1.4): | 27270502 -/- Encoder, incremental |
| Customs tariff number | 90314990000 |
| Country of origin | IN |
| Weight | 328 g |
Mounting accessories
|
PS01VR-501-2UP8X-H1141 | 6831832 |
|
INS.P.FLOW-FCS_N1_2A4_NAEX.01 | D102316 |
Connectivity accessories
|
TCG20-CC
Replacement connector for CAN interface. |
100002936 |

