Product  BI1-EG05K-AP6X

Inductive Sensor

Order number: 4609765
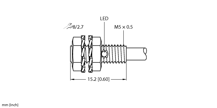
    • Threaded barrel, M5 × 0.5
    • Stainless steel, 1.4305 (AIS303)
    • DC 3-wire, 10…30 VDC
    • NO contact, PNP output
    • Cable connection
#

General data

EAN 4047101299496
eCl@ss-Code (V5.1.4): 27270101 -/- Inductive proximity switch
Customs tariff number 85365019000
Country of origin LK
Weight 35 g

Technical Data

Design Threaded barrel
Operating voltage 10…30 VDC
Electrical connection Cable
Cable length 2.0  m
Housing material Stainless steel, 1.4305 (AISI 303)
Ambient temperature -25…+70 °C
Protection class IP67

Connectivity accessories

3095384
6901322
6634164
7030632

Please confirm the format

Mode of dispatch

Format s.o.:

Select Country

Turck worldwide

to top