Product PT60R-2043-I2-H1141
Pressure Transmitter
With Current Output (2-Wire)
Order number: 6837740- Fully welded metal measuring cell
- Pressure range 0…60 bar rel.
- 7…33 VDC
- Analog output 4…20 mA
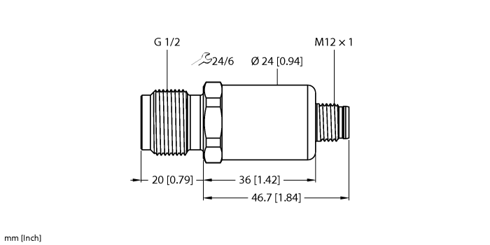
- Process connection G1/2" male thread, front sealing
- Connector device, M12 × 1

General data
| EAN | 4047101430011 |
| eCl@ss-Code (V5.1.4): | 27200614 -/- Piezoresistive sensor (absolute and relative pressure) |
| Customs tariff number | 90262020000 |
| Country of origin | CH |
| Weight | 137 g |
Technical Data
| Approvals | cULus |

