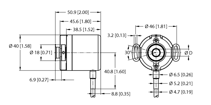
Product REI-E-112IA0E-2B512-C
Incremental Encoder
Efficiency Line
Order number: 100012070- Flange with stator coupling, Ø 46 mm
- Blind hole hollow shaft, Ø 6.35 mm (plug-in depth max. 18 mm)
- Optical measuring principle
- Shaft material: stainless steel
- Protection class IP64 on housing and shaft side
- ‐20…+70 °C
- Max. 4500 rpm
- 10…30 VDC
- Push-pull/HTL invertible
- Pulse frequency max. 300 kHz
- Cable connection
- 512 pulses per revolution

General data
| EAN | 4047101545692 |
| eCl@ss-Code (V5.1.4): | 27270502 -/- Encoder, incremental |
| Customs tariff number | 90314990000 |
| Country of origin | IN |
| Weight | 170 g |
Mounting accessories
|
PS01VR-501-2UP8X-H1141 | 6831832 |

