Product RES-187H10E-3C13B-H1181
Absolute Rotary Encoder - Singleturn
Industrial Line
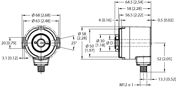
Order number: 100016320- Flange with stator coupling, Ø 63 mm
- Hollow shaft, Ø 10 mm
- Optical measuring principle
- Shaft material: stainless steel
- Protection class IP67 on housing and shaft side
- ‐40…+80 °C
- Max. 4000 rpm (continuous operation 2000 rpm)
- 10…30 VDC
- SSI, gray
- M12 × 1 male, 8-pin
- 360° resolved in 13 bit (8192 positions)

General data
| EAN | 4047101545555 |
| eCl@ss-Code (V5.1.4): | 27270501 -/- Encoder, absolute |
| Customs tariff number | 90314990000 |
| Country of origin | DE |
| Weight | 450 g |
Technical Data
| Housing material | Die-cast zinc |
| Ambient temperature | -40…+80 °C |
| Protection class | IP67 |

