Product PT600R-2121-I2-KO28A2
Pressure Transmitter
With Current Output (2-Wire)
Order number: 100003604- For mobile hydraulic applications
- Fully welded metal measuring cell
- Sealless
- With pressure tip orifice
- Compact and robust design
- Excellent EMC properties
- Excellent accuracy and long-term stability
- Kfz-Norm ISO 16750
- Pressure range 0…600 bar rel.
- 7.5…33 VDC
- Analog output 4…20 mA
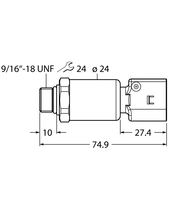
- Process connection 9/16"-18 UNF (SAE) male thread
- Plug-in device, Kostal SLK 2.8 A-coding

General data
| EAN | 4047101553987 |
| eCl@ss-Code (V5.1.4): | 27200614 -/- Piezoresistive sensor (absolute and relative pressure) |
| Customs tariff number | 90262020000 |
| Country of origin | CH |
| Weight | 481 g |

