Product NI65R-S32SR-VP44X
Inductive Sensor
Ring Sensor
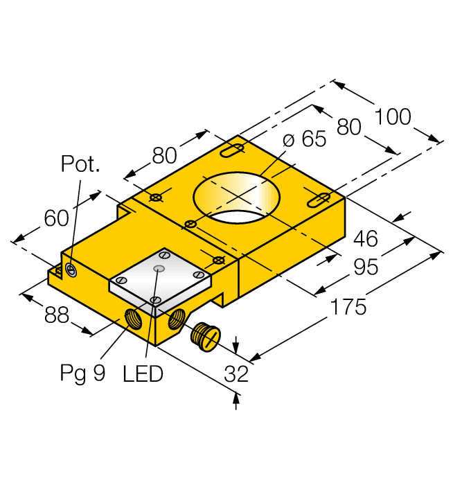
Order number: 1440008- Rectangular, height 32 mm
- Plastic, ABS
- Static output behavior
- Sensitivity adjusted via potentiometer
- Modular design, ring probe and switching amplifier also separately mountable
- Output pulse length min. 100 ms
- DC 4-wire, 10…55 VDC
- Changeover contact, PNP output
- Terminal chamber

General data
| EAN | 4047101069334 |
| eCl@ss-Code (V5.1.4): | 27270101 -/- Inductive proximity switch |
| Customs tariff number | 85365019000 |
| Country of origin | DE |
| Weight | 749 g |

