Product PT600R-2121-I2-MP11
Pressure Transmitter
With Current Output (2-Wire)
Order number: 100003608- For mobile hydraulic applications
- Fully welded metal measuring cell
- Sealless
- With pressure tip orifice
- Compact and robust design
- Excellent EMC properties
- Excellent accuracy and long-term stability
- Kfz-Norm ISO 16750
- Pressure range 0…600 bar rel.
- 7.5…33 VDC
- Analog output 4…20 mA
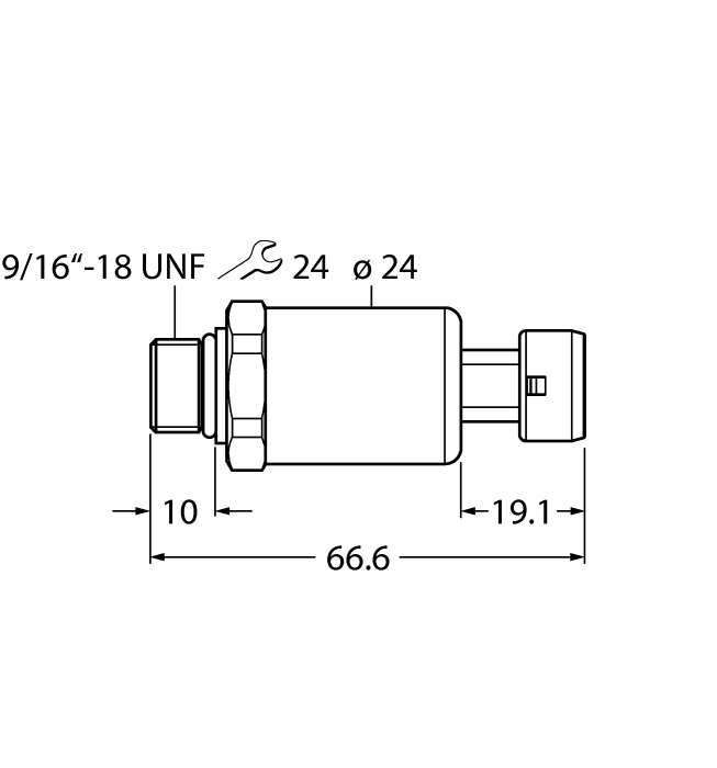
- Process connection 9/16"-18 UNF (SAE) male thread
- Plug-in device, Metri Pack 150 P2S series

General data
| EAN | 4047101553949 |
| eCl@ss-Code (V5.1.4): | 27200614 -/- Piezoresistive sensor (absolute and relative pressure) |
| Customs tariff number | 90262020000 |
| Country of origin | CH |
| Weight | 90 g |
Technical Data
| Design | Without display |
| Operating voltage | 7.5…33 VDC |
| Output function | Analog output current |
| Current output | 4…20 mA |
| Electrical connection | Connector, Metri Pack 150 P2S series |
| Housing material | Stainless-steel/Plastic, 1.4404 (AISI 316L)/polyarylamide 50 % GF UL 94 V-0 |
| Ambient temperature | -40…+100 °C |
| Protection class | IP67 |
Mounting accessories
|
PT40R-1004-U1-H1143 | 6836476 |
|
VS2KRN5VQ | 3063101 |
|
PK-N-MZ-001
Mounting bracket and mounting frame for PK-N pressure sensors |
6835025 |

