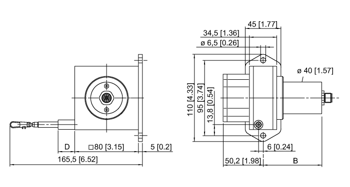
Product DW3000-110-7E-H1441
Draw-Wire
Order number: 1544546- Measuring range up to 3000 mm
- M12 connector
- Measuring principle: potentiometer
- Protection class: IP65 (Encoder)
- Analog output, 4…20 mA
- Supply voltage 12…30 VDC

Mounting accessories
|
INS.P.IO_SYSTEM-EXCOM_PSM24_N_1.32 | 100032386 |
|
PS016V-511-2UPN8X-H1141 | 6832935 |
|
FS46PS-2/M16 | U2-29262 |
|
TL50GYRAQP | 3083231 |

