Product  REI-04Q6C-2H2048-H1181

Incremental Encoder

Industrial Line

Order number: 100011154
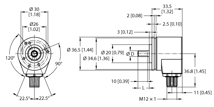
    • Clamping flange, Ø 36.5 mm
    • Optical measuring principle
    • Shaft material: stainless steel
    • Protection class shaft IP50
    • Protection class housing IP65
    • -20…+85 °C
    • Max. 12000 rpm
    • 8…30 VDC
    • Push-pull/HTL invertible
    • Pulse frequency max. 200 kHz
    • M12 × 1 male connector, 8-pin
    • 2048 pulses per revolution
#

General data

EAN 4047101550283
eCl@ss-Code (V5.1.4): 27270502 -/- Encoder, incremental
Customs tariff number 90314990000
Country of origin IN
Weight 80 g

Technical Data

Operating voltage 8…30 VDC
Output function Push-Pull/HTL
Electrical connection Connector, M12 × 1
Housing material Aluminum chromated
Ambient temperature -20…+85 °C
Protection class IP65
Special features Compact

Mounting accessories

6836191

Connectivity accessories

9910411
8900281
6611422
3063995
3086886
3072483
6901107
6933547
3089247
6625647
6625455
100000581

Functional accessories

100010521
7580529
6627254
6837243
100026211

Please confirm the format

Mode of dispatch

Format s.o.:

Select Country

Turck worldwide

to top